فیلم بیشتر »»
کد خبر ۳۳۹۹۴۶
تعداد نظرات: ۵ نظر
تاریخ انتشار: ۲۱:۱۲ - ۱۹-۰۳-۱۳۹۳
کد ۳۳۹۹۴۶
انتشار: ۲۱:۱۲ - ۱۹-۰۳-۱۳۹۳

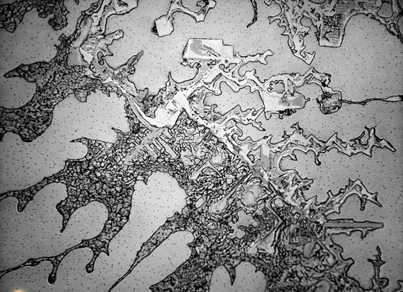
اشک انسان زیر میکروسکوپ (عکس)

اشک انسان زیر میکروسکوپ (عکس)
روزلین فیشر، عکاس معروفی است که تصمیم به عکسبرداری از قطرات اشک خود در صبح یک روز کاری گرفته و آن را با قرار دادن در زیر میکروسکوپ با بزرگنمایی 40 برابر مطالعه و تصویربرداری کرده است.

اشک انسان زیر میکروسکوپ (عکس)
برچسب ها: اشک ، میکروسکوپ
ارسال به دوستان
انتشار یافته: ۵
در انتظار بررسی: ۱۱
غیر قابل انتشار:
ناشناس
Germany
۲۱:۳۰ - ۱۳۹۳/۰۳/۱۹
4
66
اشک غم است یا اشک شوق ؟/
ناشناس
Iran (Islamic Republic of)
۲۱:۳۲ - ۱۳۹۳/۰۳/۱۹
4
27
شبیه عکسای هوایی از رودخونه هاست......
ناشناس
Iran (Islamic Republic of)
۲۱:۴۷ - ۱۳۹۳/۰۳/۱۹
9
12
شکل ظاهری اشک زیر میکروسکوپ بستگی به علت و شدت گریه هم دارد
ناشناس
Iran (Islamic Republic of)
۲۱:۵۳ - ۱۳۹۳/۰۳/۱۹
2
19
اشک دل شکسته
ناشناس
Iran (Islamic Republic of)
۲۱:۵۶ - ۱۳۹۳/۰۳/۱۹
3
21
بزرگنمایی 400 نه 40.
چرا ایستادن در ارتفاع باعث می‌شود کف پاها حس عجیبی پیدا کنند؟ بهترین میان‌وعده شبانه‌ برای کنترل فشار خون دو زن ایرانی در حال کشیدن قلیان در کنار کرسی؛ بیش از یک قرن قبل (عکس)  ترامپ به هیجان نیاز دارد/ آرامش و نباختن، برای ما برد است مقابله با محتوای جعلی در یوتیوب؛ قابلیت شناسایی هوشمند چهره در دسترس بزرگسالان قرار گرفت معنی حرف L در گیربکس اتوماتیک چیست و چه زمانی باید از آن استفاده کنید؟ سخنان تاثیرگذار از فضانوردان ناسا رشد سهم سیلیکون در باتری خودروهای برقی از ۲۰۲۲ تا ۲۰۳۵ (+ اینفوگرافیک) ارگ بلقیس؛ سفر به دل تاریخ زنده اما پنهان اسفراین (+عکس) زندگی یک خانوادۀ گیلانی دوران قاجار در قاب یک عکس تماشایی پیشنهاد افزایش ۳۰ تا ۱۰۰ درصدی مبلغ کالابرگ الکترونیکی برخورد دو جنگنده آمریکایی در جریان یک نمایشگاه هوایی رضایی: در مذاکره جدی هستیم اما در دفاع جدی‌تر علت افشای سفر محرمانه نتانیاهو به امارات فاش شد المپیاکوس با حضور طارمی نایب‌قهرمان لیگ یونان شد